Products
Products
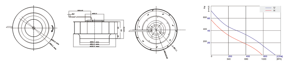
DC Centrifugal Fans
CFD22899L SERIES
- Size: Φ225 x 89mm
- Impeller: Plastic & Metal
- Motor: DC Blushless Motor External Rotor
- Operating Temperature: -25°C to + 65°C
- Insulation: Class B
- Connection: Lead Wire
- Bearing: Ball Type
- Weight: 1500g ~ 1850g
- Impeller: Plastic & Metal
- Motor: DC Blushless Motor External Rotor
- Operating Temperature: -25°C to + 65°C
- Insulation: Class B
- Connection: Lead Wire
- Bearing: Ball Type
- Weight: 1500g ~ 1850g
Download PDF
CFD22899L SERIES (2020)

|
Model Number |
Voltage |
Current |
Power |
Speed |
Air Flow |
Pressure |
Noise |
|
(V) |
(A) |
(W) |
(RPM) |
(CFM) |
(mmH2O) |
dB(A) |
|
|
CFD2289V24BHW9L |
24 |
4.5 |
108 |
2500 |
592 |
59.2 |
68 |
|
CFD2289V48BHW9L |
48 |
2.3 |
50.3 |
2500 |
592 |
59.2 |
68 |
|
CFD2289V48BUW9L |
48 |
4 |
192 |
3100 |
734 |
73.2 |
84 |
W: Lead Wires
B: Ball Type